
ŒÄ‚Ñ¡–@‚c |
‚a |
‚k |
‚s |
‚‚‚P |
‚‚‚Q |
‚‚P |
‚‚Q |
‚ƒ |
‚’ |
‚… |
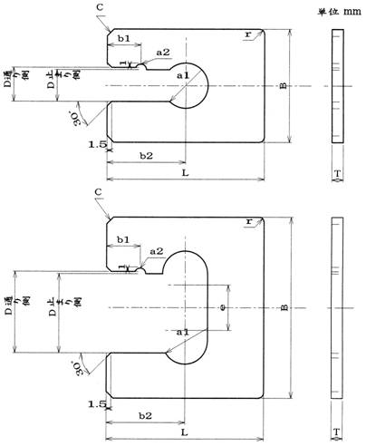
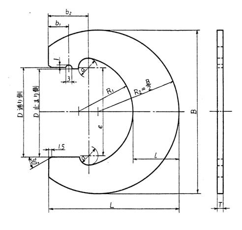
}”Ô |
3ˆÈã@6ˆÈ‰º |
30 |
50 |
4 |
‚P0 |
22 |
11 |
3 |
3 |
3 |
| |
}14 |
6’´‚¦@10ˆÈ‰º |
36 |
60 |
11 |
23 |
12 |
5 |
|||||
10’´‚¦@14ˆÈ‰º |
50 |
12 |
28 |
18 |
4 |
4 |
|||||
14’´‚¦@18ˆÈ‰º |
60 |
70 |
13 |
32 |
25 |
||||||
18’´‚¦@24ˆÈ‰º |
65 |
14 |
34 |
28 |
5 |
||||||
24’´‚¦@30ˆÈ‰º |
75 |
80 |
5 |
15 |
36 |
34 |
5 |
||||
30’´‚¦@40ˆÈ‰º |
90 |
90 |
17 |
40 |
22 |
24 |
}15 |
||||
40’´‚¦@50ˆÈ‰º |
110 |
100 |
19 |
43 |
28 |
30 |

ŒÄ‚Ñ¡–@D |
‚a |
L |
T |
‚Œ |
R(–ñ) |
‚‚1 |
‚‚2 |
‚ |
‚ƒ |
50ˆÈã@65ˆÈ‰º |
120 |
100 |
6 |
36 |
36 |
18 |
35 |
15 |
55 |
65’´‚¦@80ˆÈ‰º |
142 |
114 |
41 |
45 |
19 |
38 |
18 |
69 |
|
80’´‚¦100ˆÈ‰º |
162 |
130 |
45 |
55 |
20 |
40 |
20 |
88 |
|
100’´‚¦120ˆÈ‰º |
192 |
150 |
8 |
51 |
65 |
22 |
44 |
22 |
106 |
120’´‚¦140ˆÈ‰º |
218 |
164 |
54 |
75 |
23 |
46 |
126 |
||
140’´‚¦160ˆÈ‰º |
236 |
180 |
58 |
85 |
24 |
48 |
25 |
143 |
|
160’´‚¦180ˆÈ‰º |
258 |
195 |
60 |
95 |
25 |
52 |
163 |
}12

}13
“–ŽÐ‹KŠi
ŒÄ‚Ñ¡–@D |
B |
L |
T |
‚‚1 |
‚‚2 |
‚ |
‚ƒ |
‚’ |
‚… |
}”Ô |
1ˆÈã@3ˆÈ‰º |
25 |
50 |
3 |
11 |
8 |
8 |
3 |
3 |
| |
}12 |
3’´‚¦@6ˆÈ‰º |
30 |
4 |
14 |
10 |
11 |
|||||
6’´‚¦@10ˆÈ‰º |
36 |
60 |
16 |
12 |
12 |
|||||
10’´‚¦@14ˆÈ‰º |
50 |
70 |
18 |
14 |
18 |
4 |
4 |
|||
14’´‚¦@18ˆÈ‰º |
60 |
80 |
21 |
17 |
13 |
14 |
}13 |
|||
18’´‚¦@24ˆÈ‰º |
65 |
14 |
15 |
|||||||
24’´‚¦@30ˆÈ‰º |
75 |
90 |
5 |
23 |
18 |
18 |
5 |
5 |
19 |
|
30’´‚¦@40ˆÈ‰º |
90 |
110 |
28 |
20 |
23 |
24 |
||||
40’´‚¦@50ˆÈ‰º |
110 |
120 |
32 |
22 |
30 |
31 |